|
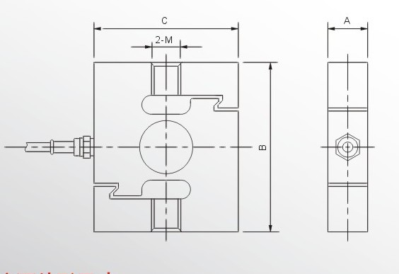
量程Capacity |
尺寸Size(mm) |
螺紋Thread |
||
|
t |
A |
B |
C |
mm |
|
1 |
25.2 |
80.0 |
71.0 |
M12X1.75 |
|
2~5 |
25.2 |
107.0 |
93.0 |
M18X1.5 |
|
7.5 |
32.5 |
141.0 |
100.5 |
M24X2 |
|
10 |
51.0 |
177.0 |
130.5 |
M30X2 |
|
20 |
61.0 |
191.0 |
160.5 |
M39X2 |

在線訂購